BVA Hydraulics

Single Acting Flat Body Cylinders

HF SERIES

Our wide range of flat hydraulic cylinders offers the right solutions for applications that traditional cylinder models cannot fit. The cylinders contain a heavy duty return spring that accelerates the return of the piston to its initial position. The extensive range covers cylinders in the push capacity range from 5 to 150 ton. In addition, our selection includes ready-made accessory kits, in which a series of three or four extension pieces with magnetic locking is supplied with the cylinder.

  • Solid steel cylinder body
  • High flow ball coupler and dust cap included
  • Maximum working pressure is 700 bar
  • Handles included in models with a push capacity over 75 ton

 

More from BVA Hydraulics >>

Can’t find what you’re looking for? Contact us, and we’ll help you to find the right solution outside our standard range!

Description

 

Single Acting Flat Body Cylinders
Item Push Capacity tn (kN) Stroke (mm) Min. Height (mm) Outside Ø (mm) Oil Capacity (cc) Cylinder Effective Area (cm2) Weight (kg)
HF0500 5 (49) 16 41 60 x 40 11 7,1 0,9
HF0503 5 (49) 6 32 61 x 41 4 7,1 0,6
HF1005 10 (104) 11 43 84 x 56 17 15,2 1,5
HF2005 20 (194) 11 51 102 x 76 31 28,3 2,7
HF3005 30 (288) 13 59 117 x 97 54 41,9 4,4
HF5006 45 (437) 16 67 140 x 114 102 63,6 6,8
HF7506 75 (726) 16 80 165 x 140 166 103,9 11,5
HF10006 90 (870) 16 86 177 x 152 203 126,7 14,3
HF15006 150 (1 359) 16 100 215 x 190 316 197,9 24,2
Cylinder Kits
Item Push Capacity tn (kN) Cylinder Model Adapter 1 (mm) Adapter 2 (mm) Adapter 3 (mm) Adapter 4 (mm) Weight (kg)
HF0535B 5 (49) HF0503 4 11 23 30 2,5
HF1005B 10 (104) HF1005 10 20 40 4,2
HF2005B 20 (194) HF2005 10 20 40 6,8
HF3005B 30 (288) HF3005 10 20 40 9,5
HF5006B 45 (437) HF5006 10 20 40 14,7

 

 

Brand

BVA Hydraulics

BVA Hydraulics

BVA Hydraulics is a highly valued manufacturer of hydraulic cylinders, hydraulic units and other cylinder-based tools for industrial use. Focusing on customer service, product innovation and a worldwide stocking program, BVA has become a solutions provider to the global industrial hydraulic cylinder markets. Dependable and reliable performance are all backed up by one of the industry’s best warranties. Visit manufacturer's website >>
BVA Hydraulics

Product Sheet

🇬🇧 Product Sheet [PDF] 🇫🇮 Tuotekortti [PDF]

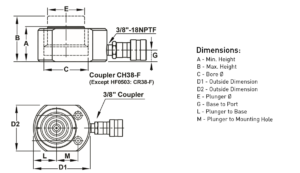
Dimensions

Single Acting Flat Body Cylinders
Item Cylinder bore Ø C (mm) Plunger Ø E (mm) Base to inlet port G (mm) Plunger to base L (mm) Plunger to mtg. hole M (mm) Hole pitch X (mm Hole Ø Y (mm) Counter bore Ø (mm) Counter bore depth (mm)
HF0500 30 25 19 20 22 28 5 10 6
HF0503 30 25 18 20 22 28 5 8 4
HF1005 44 38 20 28 34 37 7 11 8
HF2005 60 51 19 39 40 49 10 15 10
HF3005 73 64 20 48 44 52 10 16 11
HF5006 90 70 20 57 54 67 11 19 13
HF7506 115 90 20 70 67 76 13 21 14
HF10006 127 90 20 76 75 76 13 21 14
HF15006 159 118 24 3,75 95 117 13 21 14

You may also like…