HYTORC

SHCS Washers

HYTORC Washers are also available for Socket Head Cap Screws (SHCS). With a SHCS Washers, you can say goodbye to reaction arms and searching for a supporting point. With the SHCS Washers, you get support directly from the Washer, making tightening safer and more straightforward. SHCS Washers are designed to replace normal washers, while providing reliable support and efficient power transmission. By removing the reaction arm from the tightening process, you significantly reduce the risk of crushing, eliminating the most common hazard in high-torque tightening applications.

  • Designed for Socket Head Cap Screws (SHCS)
  • Enables secure tightening without a reaction arm
  • Eliminates the risk of crushing, which is the most common risk when tightening with high torques
  • Needs SHCS Washer Driver for taking reaction force staright from the Washer
  • Speeds up installation, especially in confined spaces and low profiles
  • Compatible with most HYTORC torque wrenches
  • Available for sizes M16–M42

 

More from HYTORC >>

Category:

Description

SHCS Washers
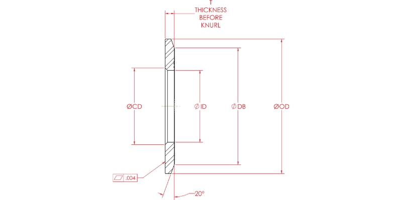
Bolt Size (M) Hex A/F (mm) Item ØOD (mm) ØID (mm) ØDB (mm) ØCD (mm) T (mm)
M16 14 ZRW010-M16-SHCS 28,4 16,6 24,9 17,9 3,1
M18 14 ZRW-M18-SHCS 31,0 19,0 26,9 20,5 3,1
M20 17 ZRW-M20-SHCS 36,4 20,8 29,2 22,6 3,1
M22 17 ZRW-M22-SHCS 37,0 22,8 33,0 24,6 3,3
M24 19 ZRW-M24-SHCS 40,6 24,8 36,1 26,6 3,3
M27 19 ZRW-M27-SHCS 47,4 28,4 40,9 30,7 3,8
M30 22 ZRW-M30-SHCS 52,2 31,2 45,7 33,8 4,3
M33 24 ZRW-M33-SHCS 58,6 34,3 52,1 36,7 4,8
M36 27 ZRW-M36-SHCS 63,3 37,3 55,6 39,4 4,8
M42 32 ZRW-M42-SHCS 74,4 44,0 64,5 45,6 4,8
SHCS Washer Drivers
Drive Bolt Size Hex A/F (mm) Item
3/4″ M16 14 DZAK-SHCS-M16X
3/4″ M18 14 DZAK-SHCS-M18X
3/4″ M20 17 DZAK-SHCS-M20X
3/4″ M22 17 DZAK-SHCS-M22X
3/4″ M24 19 DZAK-SHCS-M24X
3/4″ M27 19 DZAK-SHCS-M27X
3/4″ M30 22 DZAK-SHCS-M30X
3/4″ M33 24 DZAK-SHCS-M33X
3/4″ M36 27 DZAK-SHCS-M36X
1″ M27 19 DZAL-SHCS-M27X
1″ M30 22 DZAL-SHCS-M30X
1″ M33 24 DZAL-SHCS-M33X
1″ M36 27 DZAL-SHCS-M36X
1″ M42 32 DZAL-SHCS-M42X
1 1/2″ M42 32 DZAM-SHCS-M42X
1 1/2″ M42 32 DZAP-SHCS-M42X

 

 

Brand

HYTORC

HYTORC

HYTORC is the world’s leader in hydraulic and pneumatic torque wrench manufacturing. With over 50 years of experience focused entirely on developing the highest quality industrial bolting systems, HYTORC is the most trusted name in the industry. The latest product line features patented industry-firsts like hands-free operation, onboard documentation systems and industry-leading bolt load accuracy to reduce nut loosening and joint failure. Haitor has been cooperating with HYTORC throughout its whole lifetime. Visit manufacturer's website >>
HYTORC

Product Sheet

🇬🇧 Product Sheet [PDF] 🇫🇮 Tuotekortti [PDF]


You may also like…